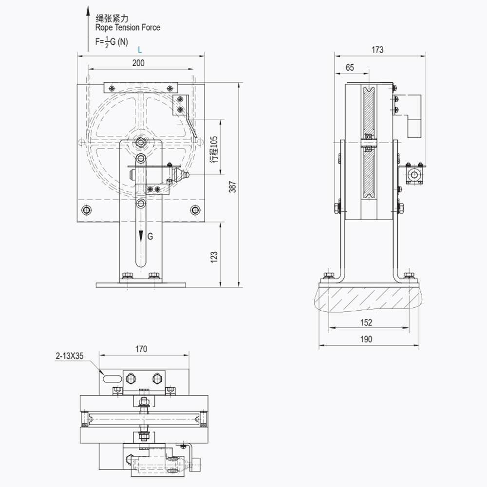
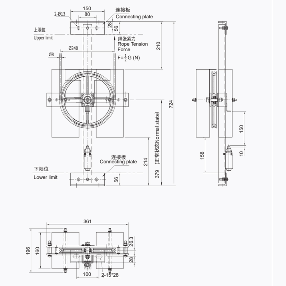
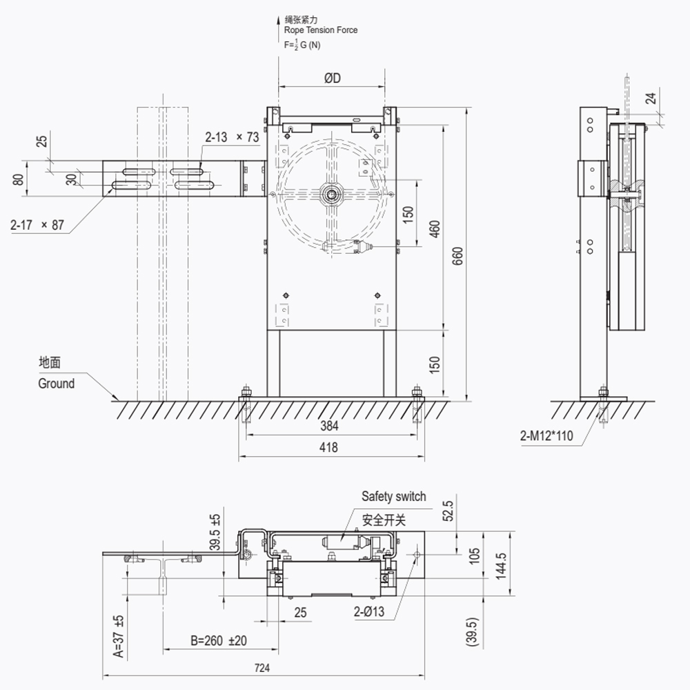
垂直式

垂直式张紧装置是电梯系统中用于维持限速器钢丝绳或补偿链恒定张力的机械装置,采用垂直向下的重力张紧方式。

消息反馈
您值得信赖的电梯零件制造商
精确,安全,可靠 我们守护每一次垂直旅程的安全与舒适。